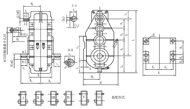
|
型号
|
中心距
|
中心高
H0
|
轮廓尺寸
|
轴端尺寸
|
||||||||||||||
|
A
|
A1
|
A2
|
A3
|
L
|
B
|
H
|
高速轴
|
低速轴
|
||||||||||
|
d1
|
l1
|
B1
|
b1
|
t1
|
D
|
l2
|
B2
|
b2
|
t2
|
|||||||||
|
ZSC350
|
350
|
87
|
123
|
140
|
130
|
600
|
180
|
282
|
22
|
50
|
145
|
6
-0.036
|
24.2
|
45
|
70
|
170
|
14
-0.043
|
48.2
|
|
ZS**00
|
400
|
90
|
140
|
170
|
150
|
670
|
210
|
330
|
30
|
55
|
170
|
8
-0.036
|
33
|
65
|
85
|
205
|
18
0
0.043
|
70.5
|
|
ZSC600
|
600
|
150
|
200
|
250
|
235
|
965
|
312
|
481
|
35
|
55
|
220
|
10
-0.063
|
38.6
|
80
|
115
|
290
|
24
0
0.052
|
87
|
|
ZSC750
|
750
|
200
|
250
|
300
|
335
|
1220
|
374
|
653
|
50锥度
1:10
|
锥长
85
|
342
|
16
-0.043
|
28
|
95
|
145
|
350
|
28
0
0.025
|
100.7
|
|
型号
|
L1
|
L2
|
L3
|
L4
|
K
|
g
|
K1
|
K2
|
K3
|
K4
|
孔数d
|
孔数n
|
重量
|
|
ZSC350
|
110
|
290
|
155
|
98
|
195
|
25
|
77.5
|
135
|
—
|
220
|
21
|
4
|
76
|
|
ZS**00
|
100
|
340
|
170
|
100
|
230
|
25
|
95
|
25
|
—
|
280
|
21
|
4
|
165
|
|
ZSC600
|
165
|
410
|
250
|
115
|
340
|
30
|
140
|
30
|
120
|
230
|
21
|
6
|
329
|
|
ZSC750
|
210
|
580
|
350
|
120
|
400
|
35
|
165
|
40
|
120
|
380
|
25
|
6
|
452
|
|
减速器
型号
|
轴端尺寸
|
||||||||||||
|
主动轴
|
被动轴
|
||||||||||||
|
d1
|
l1
|
l2
|
l3
|
b1
|
t1
|
D1
|
D2
|
l4
|
l5
|
B1
|
b2
|
t2
|
|
|
ZSC320
|
22
|
55
|
105
|
160
|
60
-0.036
|
24.5
|
44.5
|
65
|
85
|
50
|
200
|
14
-0.043
|
24.7
|
|
ZS**00
|
30(s6)
|
55
|
115
|
170
|
8
0
-0.036
|
33
|
64.5
|
75
|
105
|
60
|
230
|
18
0
-0.036
|
35.6
|
|
ZSC500
|
35
|
61
|
152.5
|
232.5
|
10
0
-0.036
|
19.5
|
79.5
|
95
|
130
|
65
|
303
|
24
0
-0.052
|
44.2
|
|
ZSC600
|
40
|
84
|
160
|
265
|
12
0
-0.036
|
21.5
|
89.5
|
98
|
130
|
140
|
330
|
24
0
-0.052
|
46.7
|
|
ZSC650
|
40
|
85
|
185
|
295
|
12
0
-0.043
|
21.5
|
99.5
|
112
|
165
|
65
|
380
|
28
0
-0.052
|
54.2
|
|
ZSC800
|
50
|
85
|
265
|
375
|
16
0
-0.043
|
28
|
119.5
|
136
|
165
|
95
|
470
|
32
0
-0.052
|
65.2
|
联系人:苏经理
手 机:13355221369
邮 箱:jiansuqi@163.com
公 司:山东博山新兴机器厂
地 址:山东省淄博市博山经济开发区